Zum Hauptinhalt springen Zur Suche springen Zur Hauptnavigation springen
Kostenloser Paketversand ab 340,00€ in DE
Versand innerhalb von 24h
30 Tage Geld-Zurück-Garantie
Hotline 0173 / 614 69 23

Niro Borddurchlass für Auspuff mit Niro Klappe, Ø76mm

Produktinformationen "Niro Borddurchlass für Auspuff mit Niro Klappe, Ø76mm"



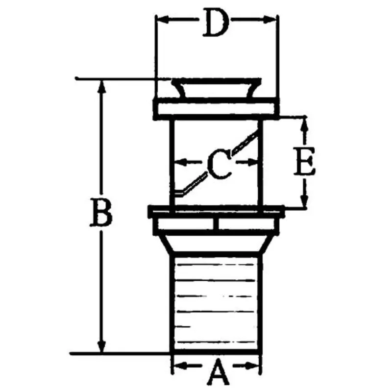
NIRO Borddurchlass für Auspuff mit NIRO Klappe

Technische Daten:

  • Schlauchanschluss: 76mm
  • Mit: Niro Klappe
  • Abmessung A: 76mm
  • Abmessung B: 146mm
  • Abmessung C: 88mm
  • Abmessung D: 118mm
  • Abmessung E: 33mm
Technische Änderungen vorbehalten!

Eigenschaften "Niro Borddurchlass für Auspuff mit Niro Klappe, Ø76mm"
Abmessung A: 76mm
Abmessung B: 146mm
Abmessung C: 88mm
Abmessung D: 118mm
Abmessung E: 33mm

0 von 0 Bewertungen

Durchschnittliche Bewertung von 0 von 5 Sternen

Bewerten Sie dieses Produkt!

Teilen Sie Ihre Erfahrungen mit anderen Kunden.


(function() { function applyFix() { // 1. Social Icons const socialLabels = { 'icon-facebook': 'Besuche uns auf Facebook', 'icon-instagram': 'Besuche uns auf Instagram', }; document.querySelectorAll('.twt-social-icon').forEach(function(el) { let link = el.closest('a'); if (link) { for (let cls in socialLabels) { if (el.classList.contains(cls)) { link.setAttribute('aria-label', socialLabels[cls]); link.setAttribute('title', socialLabels[cls]); } } } }); // 2. Buttons & Newsletter const uiLabels = { '.header-search-button': 'Suche öffnen', '.header-cart-button': 'Warenkorb öffnen', '.scroll-up-button': 'Nach oben scrollen', '.base-slider-controls-prev': 'Vorheriges Bild', '.base-slider-controls-next': 'Nächstes Bild', '.footer-newsletter-form button': 'Newsletter abonnieren' }; for (let selector in uiLabels) { document.querySelectorAll(selector).forEach(el => { if(!el.getAttribute('aria-label')) el.setAttribute('aria-label', uiLabels[selector]); }); } } // INTERVALL-START: Prüft sofort und dann alle 100ms für 2 Sekunden // Das stellt sicher, dass Google den Fix sieht, egal wann der Bot scannt. let count = 0; const interval = setInterval(function() { applyFix(); if (++count > 20) clearInterval(interval); }, 100); // Sicherheits-Check nach komplettem Laden window.addEventListener('load', applyFix); })();